化工泵知識 PUMP KNOWLEDGE
斯耐德泵業的泵技術經驗:FYS氟塑料耐腐蝕液下泵
日期:2018-07-18 人氣:1894
1、安裝
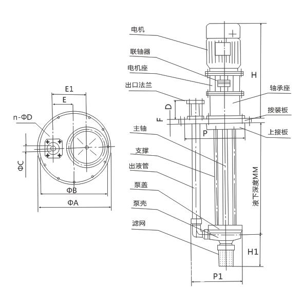
(1)FYS氟塑料耐腐蝕液下泵應垂直安裝在儲槽上,位置應便于觀察和檢修,要求泵吸入口最下端與儲槽槽底距離應
大于10厘米。
(2)整泵都裝有支撐臂支撐泵的出液管路。
(3)液下泵泵殼部位應全部浸入液體,不推薦在吸入口接管吸液。
(4)安裝后,按裝板用螺栓固定牢固,轉動聯軸器應轉動靈活,無不良感覺。
(5)安裝完畢后,點動電機,確定轉向后,可起動泵運行。
(6)運行3~4小時,應停車檢查,如無不良現象,則安裝合格。
2、使用
(1)啟動前關閉出口管路上的閥門及儀表等,待啟動正常運轉1分鐘左右,再緩慢打開閥門及儀表。
(2)運行過程中,密切注意電機功率顯示的數值和整泵的振動情況,如發現上述情況應立即關閉電機電源,檢查并消除振動的問題。
(3)停車時,應先關閉出口閥門,然后停止電機,關閉壓力表。

- 下一篇:液下泵的常見故障及排查手冊
- 上一篇:防腐蝕耐腐蝕泵安裝與管路聯接要特別注意什么?


